Műemlék felújítás
Főoldal ::
Munkáim :: Műemlék felújítás
2001.
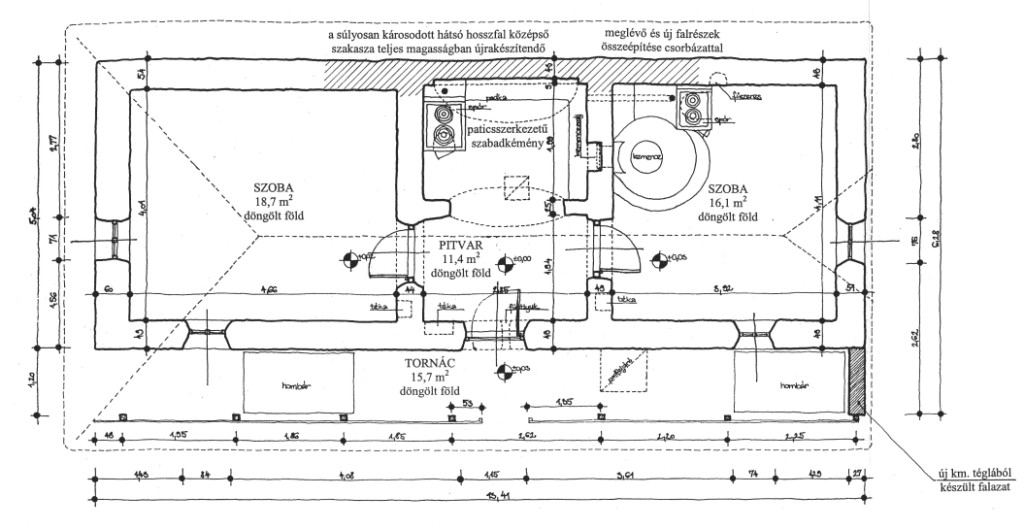
Tarpa, Árpád u.
műemlék lakóház felújításának terve
2005.
Tetétlen, Hajnal u. 8.
2005.
Nagyhegyes, Kadarcsi csárda
2006.
2006.
2007.
Hajdúböszörmény, Hunyadi krt. 2/a.
2008.
Porcsalma, Szabadság tér 34.
2008.
Nagyhegyes
2009.
Bojt, Kossuth u. 40.
2011.
Besenyőd
Besenyőd, református templom felújításának engedélyes terve
2012.
Nyírtass
Nyírtass, református templom felújításának engedélyes terve
2013.
Tarpa
Tarpa, szárazmalom felújításának engedélyes terve
2013.
Szatmárcseke
Szatmárcseke, Tájház felújításának engedélyes terve
2013.
Ököritófülpös
Ököritófülpös, Református Óparókia felújításának módosított engedélyes terve
2014.
Rápolt
Rápolt, Református templom felújításának engedélyes terve
2017.
Konyár
Konyár, Református templom felújításának engedélyes terve
2017.
Debrecen
Debrecen, Malom Hotel energetikai felújításának engedélyes terve
2017.
Hosszúpályi
Hosszúpályi, Tájház felújítás rekonstrukciós terve
2018.
Álmosd
Álmosd, Kölcsey-kúria felújítás engedélyezési terve















